GYQ型空氣干燒電加熱管適用于各種空氣加熱系統,可用做烘箱,流態型空氣加熱器等加熱設備。加熱材質為10#鋼或者不銹鋼材質,加熱介質上限溫度一般為300°左右。
GYQ型空氣干燒電加熱管主要應用于:
空氣干燒加熱系統,如烘箱、烤箱、烤漆房等設備中。


1.GYQ型空氣干燒電加熱管外殼材質一般采用: 不銹鋼304或者10#碳鋼
2.GYQ型空氣干燒電加熱管電熱絲材質可選:0Cr25Al5、0Cr21Al6Nb、0Cr27Al7Mo2、Cr20Ni80等
3.GYQ型空氣干燒電加熱管絕緣填充物:絕緣氧化鎂粉
4.GYQ型空氣干燒電加熱管額定電壓: 通常220V、380V等
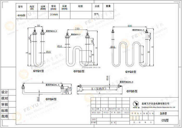
5.GYQ型空氣干燒電加熱管功率(表面負荷):參考下面表格
6.GYQ型空氣干燒電加熱管管徑:16mm
7.GYQ型空氣干燒電加熱管長度、形狀:參考下面表格
8.冷態絕緣電阻:出廠檢驗時冷態絕緣電阻應不小于50MΩ;密封試驗后,長期存放或使用后的絕緣電阻應不小于1MΩ
9.冷態泄露電流:≤ 0.5 mA
10.冷態絕緣:1600v. 1/seg


1.非標定制,靈活生產,滿足各種設備加熱要求。
2.功率設計合理,使用壽命長。
3.硅膠壓頭處理,防水性好,使用安全。
4.我司產品獲得德國權威認證機構-萊茵機構 CE認證證書,遠銷各國。【1.了解德國萊茵機構 2.查看CE證書與報告】。
注意事項:
GYQ型空氣干燒電加熱管一般都是錯列布置在管道中,使流過的空氣能充分加熱,管道的四周應有較好的絕熱層以減少損失。
GYQ型空氣干燒電加熱管之間的距離與風速有關,一般風速在8-12米較為合適,過高增加壓力損失,過低影響效率,并易燒壞。
GYQ型空氣干燒電加熱管的電接頭應放在保溫層、加熱室以外,接線時勿用力過猛。
GYQ型空氣干燒電加熱管的工作電壓不得超過其額定值的10%,外殼應有效接地。
GYQ型空氣干燒電加熱管工作環境,濕度不大于95%,無爆炸性、腐 性氣體。
GYQ型空氣干燒電加熱管應儲藏在干燥之處,若因長期放置其對地絕緣電阻低于1M歐姆時,可在200℃左右的烘箱中干燥若干小時即可恢復。
GYQ型空氣干燒電加熱管的緊固螺母為M22*1.5,長為45mm.
單根管子接電源:直接根據電壓大小來接線,通常220V,一個火線,一個零線; 380V,若只有2個接線柱,那么就是接2根火線即可。
多根管子接電源:可以根據實際情況采取:并聯、串聯、三角形接法或者Y型接法等。具體不明白的可以咨詢我們的銷售客服。
訂購GYQ型空氣干燒電加熱管時需要告訴我們以下參數,以便我們立即給您報價:(若有圖紙或圖片提供更好)
告訴我們上述表格中的型號即可,若不在型號范圍內,那就不是標準型號,請提供圖紙尺寸即可。
上一產品:已經是第一個產品了
下一產品:液體加熱U型電加熱管