
? 干燒電加熱管-設計前提須知
在設計干燒電加熱管之前,我們必須要搞明白幾個事情:
①加熱管是嵌入式干燒還是裸露空氣干燒?
②裸露空氣干燒的時候,是否有風循環?
③工作環境以及工作溫度
④安裝空間大小;
? 干燒電加熱管選型指導-材質選擇
干燒電加熱管的護套材質選擇主要根據電加熱管的表面負荷來決定,表面負荷又決定電加熱管的表度,一般可以按照如下材質選擇:
| 管材質 | 建議表面負荷 | 加熱介質 |
| 不銹鋼304 、321、316L | 5W/cm2 | 靜止的空氣 |
| 不銹鋼304 、321、316L | 5.5W/cm2 | 風速不低于6m/s |
| 不銹鋼310S、英格萊840、800 | 10W/cm2 | 靜止的空氣 |
| 不銹鋼310S、英格萊840、800 | 11W/cm2 | 風速不低于6m/s |
? 干燒電加熱管選型指導-加熱管樣式的選擇以及尺寸建議
※ 纏繞式翅片直棒型

功率 | L長度 | 翅片長度 A | 緊固件 |
500 | 500 | 440 | 管徑12 配M18*1.5 |
700 | 700 | 640 | 管徑12 配M18*1.5 |
800 | 800 | 740 | 管徑12 配M18*1.5 |
1000 | 1000 | 940 | 管徑12 配M18*1.5 |
1200 | 1200 | 1140 | 管徑12 配M18*1.5 |
1500 | 1500 | 1440 | 管徑12 配M18*1.5 |
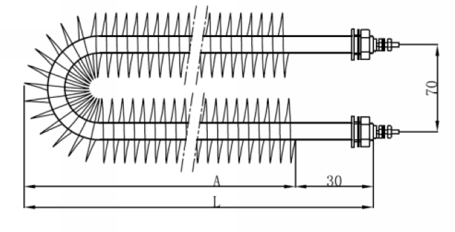
※ 纏繞式翅片U型
![1529373220453286.jpg L{Q2QQV]S83C(UKMUJ$B1TO](http://www.ckcollege.cn/storage/2838/article/20180801/1533092649297093..jpg)
功率 | L長度 | 翅片長度 A | 緊固件 |
500 | 200 | 170 | 管徑12 配M18*1.5 |
1000 | 450 | 420 | 管徑12 配M18*1.5 |
1500 | 700 | 670 | 管徑12 配M18*1.5 |
2000 | 950 | 920 | 管徑12 配M18*1.5 |
2500 | 1200 | 1170 | 管徑12 配M18*1.5 |
3000 | 1500 | 1470 | 管徑12 配M18*1.5 |
※ 纏繞式翅片W型

功率 | L長度 | 翅片長度 A | 緊固件 |
2000 | 500 | 470 | 管徑12 配M18*1.5 |
2500 | 625 | 595 | 管徑12 配M18*1.5 |
3000 | 750 | 720 | 管徑12 配M18*1.5 |
3500 | 875 | 845 | 管徑12 配M18*1.5 |
4000 | 1000 | 970 | 管徑12 配M18*1.5 |
4500 | 1125 | 1095 | 管徑12 配M18*1.5 |
※ 方形翅片25*50型

功率 | 長度 Length | 緊固件 |
200 | 140 | M14*1.5 |
500 | 250 | M14*1.5 |
750 | 350 | M14*1.5 |
1000 | 450 | M14*1.5 |
1500 | 650 | M14*1.5 |
2000 | 850 | M14*1.5 |
3000 | 1300 | M14*1.5 |
※ 方形翅片40*80型-可2根直棒,也可U型

功率 | 長度 L1 | 緊固件 |
1000 | 400 | M16*1.5 |
1500 | 600 | M16*1.5 |
2000 | 750 | M16*1.5 |
2500 | 1100 | M16*1.5 |
3000 | 1200 | M16*1.5 |
3500 | 1500 | M16*1.5 |
? 干燒電加熱管選型指導-使用注意點
干燒電加熱管使用最重要的一點原則是,散熱要好,空氣流動要好,或者嵌入孔中的時候,其間隙要小。只有干燒電加熱管表面散熱好,加熱管的壽命才會好。
干燒電加熱管使用時,額定電壓需要穩定,偏差過大,會導致干燒電加熱管表面負荷變大,造成表面溫度過高,超負荷工作。
? 干燒電加熱管 - 我們幫您設計
若您看了以上資料,還是不會選型,可以直接咨詢我們: 13382641389
下一篇:【選型指導】液體電加熱管選型指導